Piston set complete
Product code: 38017178Product reference: D5NN6108S + DFPN6149E + D7NN6055A
Price:
493,67 € Inc. VAT
Availability:
in a warehouse
Description
Price unit:
piece
Pack of: 1
Pack of: 1
Availability
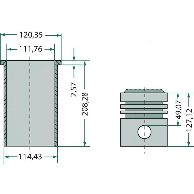
* Please note:
liner is not fully machined.
liner is not fully machined.
Engine type
BSD666
BSD666
-
Dimensions:
4 rings, Ø 111,76 mm
gudgeon pin Ø 38,1 x 89,1 mm
combustion chamber Ø 63,5 mm
combustion chamber depth 19,6 mm
dry liner - Weight: 1.36 kg
Types:
8000, 8210, 7910, 8700
TW 5, 10
8000, 8210, 7910, 8700
TW 5, 10








